A place to discus product development and kickstarter things....feature wish list, problems, BOM, progress, kickstarter rewards, etc...
-
jason
- Site Admin
- Posts: 12
- Joined: Tue Jun 29, 2021 8:12 pm
Post
by jason »
-
Attachments
-

- squate_3d.png (141.03 KiB) Viewed 61739 times
-

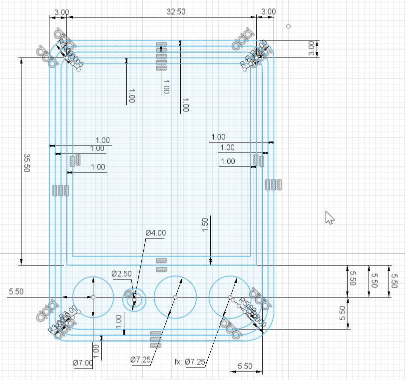
- squat_2d.png (135.13 KiB) Viewed 61739 times